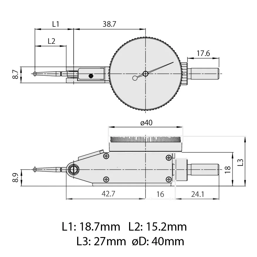
Đồng Hồ So Chân Gập Mitutoyo 513-405-10E (0-0.2mm) là một thiết bị đo lường cơ khí chính xác, được thiết kế để đo lường sự sai lệch nhỏ trong các ứng dụng công nghiệp và gia công. Sản phẩm này nổi bật với thiết kế nhỏ gọn, dễ dàng thao tác trong không gian hẹp. Với độ chia 0.002mm, bạn có thể dễ dàng nhận biết và ghi lại những thay đổi nhỏ nhất, đảm bảo độ chính xác cao trong mọi phép đo.
Đồng hồ so Mitutoyo 513-405-10E được chế tạo từ vật liệu cao cấp, chịu được va đập và mài mòn, đảm bảo tuổi thọ lâu dài ngay cả trong môi trường làm việc khắc nghiệt. Đây là một công cụ lý tưởng cho các kỹ sư, thợ cơ khí, và những người làm việc trong lĩnh vực kiểm tra chất lượng và bảo trì.
- Độ chính xác cao: Sai số chỉ ±3µm, đảm bảo kết quả đo tin cậy.
- Thiết kế chân gập: Dễ dàng tiếp cận các vị trí khó khăn.
- Khoảng đo phù hợp: 0-0.2mm, lý tưởng cho các ứng dụng đo lường nhỏ.
- Độ chia nhỏ: 0.002mm, giúp nhận biết sự thay đổi nhỏ nhất.
- Vật liệu chất lượng: Chịu va đập, chống mài mòn, bền bỉ.
| Mã sản phẩm | 513-405-10E |
|---|---|
| Dòng sản phẩm | Đồng Hồ So Chân Gập Mitutoyo |
| Phạm vi đo | 0-0.2 mm |
| Độ chia | 0.002 mm |
| Độ chính xác | ±4 µm |
| Đường kính trục | Ø8 mm |





















Đánh giá
Chưa có đánh giá nào.