Đồng Hồ So Cơ Khí Mitutoyo 1040A (0-3.5 mm) là một thiết bị đo lường chính xác, được thiết kế để đáp ứng nhu cầu đo đạc trong nhiều lĩnh vực khác nhau. Với phạm vi đo 3.5mm và độ chia 0.01mm, sản phẩm này cho phép bạn thực hiện các phép đo chi tiết và chính xác đến từng micromet. Thương hiệu Mitutoyo đến từ Nhật Bản nổi tiếng với chất lượng và độ bền vượt trội, đảm bảo rằng bạn sẽ có một công cụ đáng tin cậy trong nhiều năm tới.
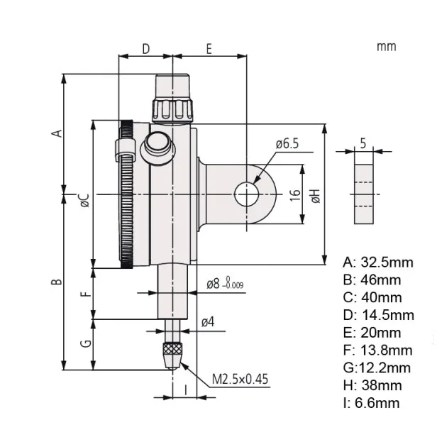
Model 1040A được thiết kế nhỏ gọn, dễ dàng cầm nắm và thao tác trong không gian hẹp. Mặt đồng hồ hiển thị rõ ràng với các vạch chia dễ đọc, giúp bạn nhanh chóng nhận biết kết quả đo. Trục Ø8 mm đảm bảo sự ổn định và chính xác trong quá trình đo. Đặc biệt, mặt lưng dạng phẳng có tai móc giúp bạn dễ dàng cố định đồng hồ so trên các bề mặt khác nhau, tăng tính linh hoạt trong sử dụng.
- Độ chính xác cao: Sai số chỉ ±13 µm, đảm bảo kết quả đo chính xác tuyệt đối.
- Thiết kế nhỏ gọn: Dễ dàng thao tác trong không gian hẹp và mang theo bên mình.
- Mặt đồng hồ rõ ràng: Dễ đọc và quan sát kết quả đo.
- Chất liệu bền bỉ: Sản xuất từ vật liệu cao cấp, chịu được va đập và mài mòn.
- Đa năng: Phù hợp cho nhiều ứng dụng khác nhau trong cơ khí, chế tạo và sửa chữa.
| Mã sản phẩm | 1040A |
|---|---|
| Dòng sản phẩm | Đồng Hồ So Cơ Khí Mitutoyo |
| Phạm vi đo | 3.5 mm ( 0.5 mm) |
| Độ chia | 0.01 mm |
| Độ chính xác | ±13 µm |
| Mặt đồng hồ hiển thị | ±0-50 |
| Đường kính trục | Ø8 mm |
| Mặt lưng | Dạng phẳng có tai móc |























Đánh giá
Chưa có đánh giá nào.